|
产品信息
|
|
型号
|
S-50-□
|
|
产品图片
|

|
|
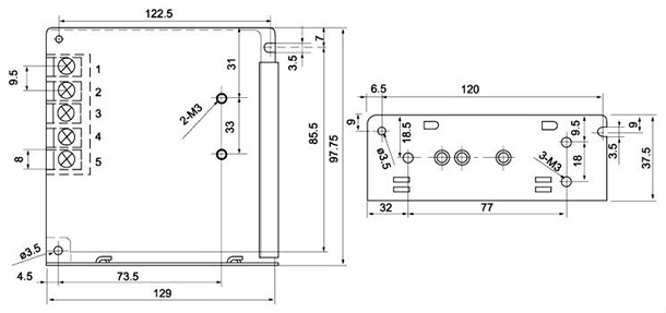
产品尺寸
|

|
|
产品特点
|
· 105℃输出电容器 · 全球适用AC输入电源
· 软启动电流、有效降低AC输入冲击 · 有短路保护、过载保护
· 体积小、重量轻 · 100%满负荷烧机测试
· 内装EMI滤波器、纹波极小
|
|
S-50-5
|
S-50-12
|
S-50-15
|
S-50-24
|
|
直流输出电压
|
5V
|
12V
|
15V
|
24V
|
|
输出电压容差(注2)
|
±2%
|
±2%
|
±1%
|
±1%
|
|
输出电流范围
|
0~10A
|
0~4.2A
|
0~3.4A
|
0~2.1A
|
|
纹波及噪音(注3)
|
75mVp-p
|
100mVp-p
|
100mVp-p
|
100mVp-p
|
|
进线稳定度(注4)
|
±0.5%
|
±0.5%
|
±0.5%
|
±0.5%
|
|
负载稳定度(注5)
|
±1%
|
±0.5%
|
±0.5%
|
±0.5%
|
|
直流输出功率
|
50W
|
50.4W
|
51W
|
50.4W
|
|
效率
|
71%
|
78%
|
78%
|
78%
|
|
直流电压可调范围
|
+10,-5%
|
±10%
|
±10%
|
±10%
|
|
输入电压范围
|
85―132VAC/170―264VAC 由开关选择 47―63Hz; 254―370VDC
|
|
输入电流
|
1.3A/115V 0.65A/230V
|
|
冲击电流
|
冷启动电流 18A/115V 36A/230V
|
|
漏电流
|
<1mA/240VAC
|
|
过载保护
|
105%―150% 类型:切断输出 复位:自动恢复
|
|
过电压保护
|
|
|
高温保护
|
|
|
温度系数
|
±0.03%/℃ (0―50℃)
|
|
启动、上升、保持时间
|
200ms,100ms,20ms
|
|
抗震性
|
10―500Hz,2G 10min,/1周期,时长60分,各轴
|
|
耐压性
|
输入输出间:1.5KvAC输入与外壳:1.5KvAC输出与外壳:0.5KvAC
|
|
隔离电阻
|
输入输 出间,输入与外壳,输出与外壳:500VDC/100MΩ
|
|
工作温度、湿度
|
-10℃―+60℃(参考输出特性图),20%―90%RH
|
|
存储温度、湿度
|
-20℃―+85℃,10%―95%RH<
|
|
外形尺寸
|
157*97*38mm
|
|
重量
|
0.5Kgs
|
|
安全标准
|
满足UL1012要求
|
|
EMC标准
|
设计表示FCC部分15J条件 等级B
|
沪工自动化为部分开关电源,更多详细型号请浏览明纬股份有限公司(原上海明纬实业有限公司)
|
|
注::1、以上参数测试条件为:230VAC输入,额定负载,25℃ 70%Rh。
2、容差:包括设定容差,线路稳定度,负载稳定度(注5)。
3、纹波测试:20MHz用“A12”双绞线,中断用0.1uF&47uF电容器短路。
4、进线电压稳定度测试:满负载时进线最低电压到最高电压。
5、负载稳定度测试:负载从0%到100%。
|