|
产品信息
|
|
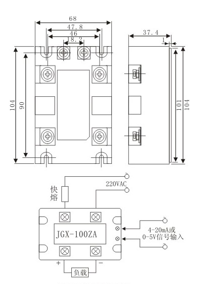
型号
|
JGX-100ZA(单相整流调压模块)
|
|
产品图片
|
|
|
尺寸
|
|
|
负载电流Load Current
|
10A,25A,40A,60A,75A,90A,100A,120A
|
|
负载电压Load Voltage
|
175-265VAC
|
|
控制电压Control Voltage
|
0-5VDC,4-20mA
|
|
控制电流Control Current
|
|
|
通态压降On Voltage
|
≤3V
|
|
通态漏电流 Off Leakage Current
|
≤10mA
|
|
断态时间On-off Time
|
≤10ms
|
|
介质耐压Dielectric Strength
|
2000VAC
|
|
绝缘电阻Insulation Resistance
|
500MΩ/500VDC
|
|
环境温度Ambient Temperature
|
-30℃~+75℃
|
|
安置方式:Mounting Methods
|
螺栓固定
|
|
工作指示The Work Instructions
|
LED
|
|
重量Weight
|
450g
|
|